通知公告
您当前的位置:首页 > 新闻动态 > 通知公告
双Spoke超导腔制造公开招标公告
文章来源:大装置中心  2017-12-28
】 【】 【

  一、 采购人:快盈v3 

  二、 采购项目名称:双Spoke超导腔制造 

  三、 招标编号:IHEP-JQ-ZB-108/2017 

  四、 招标产品内容: 

  (一)设备名称:双Spoke超导腔 

  (二)数量:1只 

  (三)采购预算:100万元,超过本采购预算的投标视为无效投标。 

  (四)项目简介: 

  工作频率325MHz,β为0.5的三间隙轮辐型超导腔(简称双Spoke超导腔),其主要功能是加速中能段的强流质子束。 

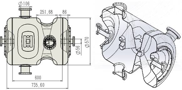
  双Spoke超导腔主要由圆柱体外壳(Cylinder shell)、端盖(End plate)、Spoke柱(Spoke bar)、加强筋(Stiffener)和数个法兰端口组成,如图1所示。 

  图1 . 双Spoke超导腔示意图 

  本次招标标的为双Spoke超导腔加工,数量为1只。招标范围包括超导腔的原材料采购(甲方提供1只腔的铌材及铌钛材料,制造完毕剩余材料需返还甲方;其它所需原材料由乙方采购)、制造、检验、包装、运输、保险、安装、调试、验收、保修及售后服务等。交货周期为合同签订、且乙方收到首付款和甲方提供的全部材料后6个月内,交货地点在快盈v3。 

  本项目不以最低投标价格作为中标的唯一选择标准,同样不以投标价格最高作为投标人不中标的评价标准。 

  五、 投标资格: 

  (1)政府采购法第二十二条规定的资格条件。 

  (2)近5年内具有加工制造与招标人所需相同或类似设备的业绩。 

  (3)本项目不接受联合体投标。 

  (4)本项目只接受原产地在中华人民共和国境内的产品投标。 

  (5)按本招标公告规定方式购买招标文件并登记。 

  六、 招标文件发售时间:2017年12月28日~2018年1月5日(公休日除外) 

  七、 招标文件购买方式: 

  招标文件每套200元人民币,招标文件售出不退。 

  本项目招标文件的购买方式是汇款购买,请在款项(200元人民币)汇出后,将银行出具的汇款回单扫描件、单位全称及其地址、联系人及其联系方法(包括手机、电话、E-mail地址等)以下方表格形式发送到xull@ihep.ac.cn。我们收到邮件后会立即将招标文件电子版用E-mail发给您。 

序号 

信息名称 

信息内容 

所购买招标文件的招标编号 

 

投标人名称 

 

投标人地址、邮编 

 

联系人 

 

联系人手机 

 

E-mail 

 

标书款发票开票信息 

 

  投标时将收取投标保证金 15000元。 

  注意:本项目不接受来人上门购买招标文件。 

  八、 投标截止时间:北京时间2018年1月25日上午9:00 

  九、 投标文件递交地点:北京市石景山区玉泉路19号乙院(高能所) 主楼A415会议室 

  十、 开标时间:北京时间2018年1月25日上午9:00 

  十一、 本项目联系方式:

    联 系 人:徐乐乐   

  Email:xull@ihep.ac.cn   

  电    话:010-88236304 

  全    称:快盈v3 

  开户银行:中国工商银行北京永定路支行 

  账    号:0200  0049  0901  4451  557 

 

  本信息刊登在高能所网站(www.gxxsggd.com)上。对于因其他网站转载并发布的非完整版或修改版公告,而导致误报名或无效报名的情形,招标人不予承担责任。 


附件下载:

地址:北京市918信箱 邮编:100049 电话:86-10-88235008 Email:ihep@ihep.ac.cn
快盈v3 备案序号:京ICP备05002790号-1 文保网安备案号: 110402500050